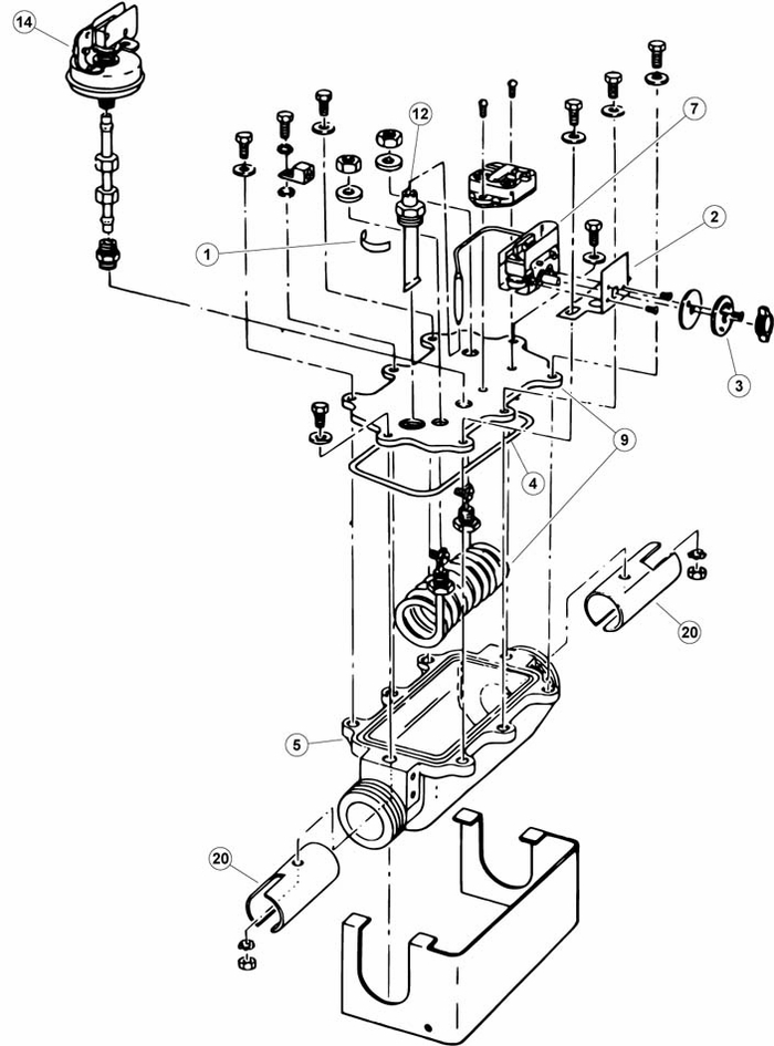
Waterpik Laars Spaworks Electric in-line heater