Hayward Pro Series Plus Sand Filter S311SX, 311XV, 360SX

Hayward Pro Series Plus Sand Filter S311SX, 311XV, 360SX
#ModelImageProduct NamePrice
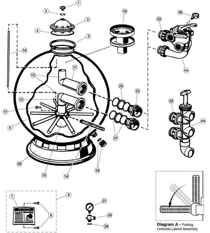
1SX200GHayward Manual Air Relief # SX200GHayward Manual Air Relief # SX200G
$10.99
2SX200Z5Hayward O-Ring Super Star-Clear(O-27) # SX200Z5Hayward O-Ring Super Star-Clear(O-27) # SX200Z5
$10.99
3SX244KHayward Pro Series Plus Top Closure Dome # SX244KHayward Pro Series Plus Top Closure Dome # SX244K
$71.99
4O-263Hayward O-Ring Valve Gm152 & Gm225 (O-263) # GMX600FHayward O-Ring Valve Gm152 & Gm225 (O-263) # GMX600F
$16.99
5SX310NHayward Heavy Duty Clamp # SX310NHayward Heavy Duty Clamp # SX310N
$65.99
6SX311AA2FWHayward Filter Tank (S311 1995 & Prior) # SX311AA2FWHayward Filter Tank (S311 1995 & Prior) # SX311AA2FW
Call for Price
6SX360AA2Hayward 36IN FILTER BODY W/SKIRT -S360SX # SX360AA2Hayward 36IN FILTER BODY W/SKIRT -S360SX # SX360AA2
Call for Price
6SX360AA2FWHayward 36In Filter Body W/Skirt -S360Sx Flat Wall- # SX360AA2FWHayward 36In Filter Body W/Skirt -S360Sx Flat Wall- # SX360AA2FW
$1,312.99
7SX311GHayward Pool Products LABEL PLATE # SX311GHayward Pool Products LABEL PLATE # SX311G
Call for Price
7SX360GHayward LABEL PLATE # SX360GHayward LABEL PLATE # SX360G
$21.99
8SX311Z1Hayward LABEL PLATE SCREW # SX311Z1Hayward LABEL PLATE SCREW # SX311Z1
Call for Price
9SX311GKITHayward Pool Products LABEL PLATE KIT # SX311GKITHayward Pool Products LABEL PLATE KIT # SX311GKIT
Call for Price
9SX360GKITHayward Pool Products LABEL PLATE KIT # SX360GKITHayward Pool Products LABEL PLATE KIT # SX360GKIT
Call for Price
10SX244GHayward Top Diffuser Assy # SX244GHayward Top Diffuser Assy # SX244G
$68.99
11SX311CD1Hayward Pool Products TOP ELBOW ASSY # SX311CD1Hayward Pool Products TOP ELBOW ASSY # SX311CD1
Call for Price
11SX311CD1FWHayward Top Elbow Assy -S311Sx After 1996- # SX311CD1FWHayward Top Elbow Assy -S311Sx After 1996- # SX311CD1FW
$119.99
12SX311CD2Hayward Pool Products BOTTOM ELBOW ASSY # SX311CD2Hayward Pool Products BOTTOM ELBOW ASSY # SX311CD2
Call for Price
12SX311CD2FWHayward Bottom Elbow Assy -S311Sx After 1996- # SX311CD2FWHayward Bottom Elbow Assy -S311Sx After 1996- # SX311CD2FW
$87.99
13Hayward Internal Elbow Assy # SX360CDHayward Internal Elbow Assy # SX360CD
Call for Price
13SX360CDFWHayward Internal Elbow Assembly Top & Bottom # SX360CDFWHayward Internal Elbow Assembly Top & Bottom # SX360CDFW
$159.99
14SX310HAPAK10Hayward Pro Series S310S Lateral (10PK) # SX310HAPAK10Hayward Pro Series S310S Lateral (10PK) # SX310HAPAK10
$88.99
15SX311DAHayward Lateral Holder Assy # SX311DAHayward Lateral Holder Assy # SX311DA
$125.99
15SX242MA3Hayward Lateral Assy W/Center Pipe # SX242MA3Hayward Lateral Assy W/Center Pipe # SX242MA3
$116.99
16CX1100Z4Hayward Auto Air Relief Tube -C1100- # CX1100Z4Hayward Auto Air Relief Tube -C1100- # CX1100Z4
$14.99
16SX360Z2Hayward Air Tube # SX360Z2Hayward Air Tube # SX360Z2
$20.99
17SX200Z2Hayward Air Tube Lock Screw # SX200Z2Hayward Air Tube Lock Screw # SX200Z2
$7.99
18SX180HGHayward Drain Cap & Gasket 2005 & Prior # SX180HGHayward Drain Cap & Gasket 2005 & Prior # SX180HG
$8.99
20SX310JHayward Support Stand # SX310JHayward Support Stand # SX310J
$143.99
21SX360Z1Hayward O-Ring Bulkhead (O-246) # SX360Z1Hayward O-Ring Bulkhead (O-246) # SX360Z1
$11.99
22SX360EHayward Bulkhead Spacer # SX360EHayward Bulkhead Spacer # SX360E
$14.99
23
23SX244PXHayward Bulkhead Fitting S244/311 (After 1996) # SX244PXHayward Bulkhead Fitting S244/311 (After 1996) # SX244PX
$43.99
23SX311FHayward Bulkhead Fitting # SX311FHayward Bulkhead Fitting # SX311F
$49.99
24a
24a
24aSPX0710X32Hayward Vari-Flo Control Valve, w/o gauge, 1.5" FIP # SPX0710X32Hayward Vari-Flo Control Valve, w/o gauge, 1.5" FIP # SPX0710X32
$248.99
24aSM2-HPX62Praher Canada Ltd MPV, 2", SM-20-3 w/Hayward Plumbing 2" Fpt, Pro Series 6" Ce # SM2-HPX62Praher Canada Ltd MPV, 2", SM-20-3 w/Hayward Plumbing 2" Fpt, Pro Series 6" Ce # SM2-HPX62
$236.99
24b
25SX200Z4Hayward O-Ring Blkhd/Vari-Flo(O-64) # SX200Z4Hayward O-Ring Blkhd/Vari-Flo(O-64) # SX200Z4
$10.99
26ECX270861Hayward Pressure Gauge Boxed # ECX270861Hayward Pressure Gauge Boxed # ECX270861
$26.99
27ECX270861Hayward Pressure Gauge Boxed # ECX270861Hayward Pressure Gauge Boxed # ECX270861
$26.99
28DEX2400SHayward Air Relief Assy # DEX2400SHayward Air Relief Assy # DEX2400S
$35.99
29SX200Z5Hayward O-Ring Super Star-Clear(O-27) # SX200Z5Hayward O-Ring Super Star-Clear(O-27) # SX200Z5
$10.99
n/aDEX2400Z3AHayward O-Ring Set Valve Stem Spr Star/Micro-Clr(O-500) # DEX2400Z3AHayward O-Ring Set Valve Stem Spr Star/Micro-Clr(O-500) # DEX2400Z3A
$14.99